45 watt-hour battery and charger schematics

Charger

Charger
Charger Cable

The charger cable fits nothing else because of the 48 Volts
Chassis

The circuits inside the battery case
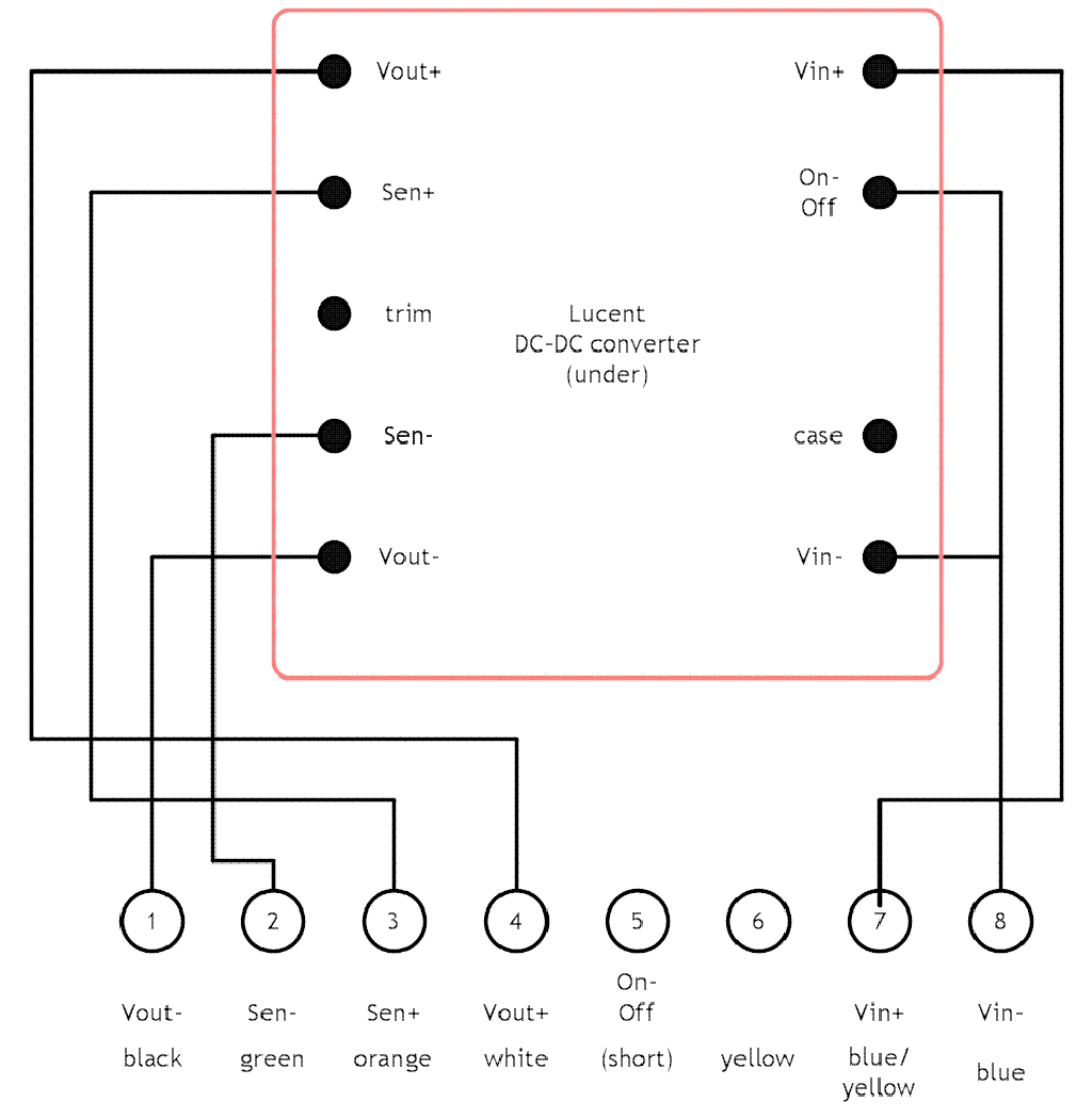
DC-DC Converter

DC - DC Converter
Control Circuit

Control Citcuit
LED Board

LED board.