These are the circuit diagrams:

This is the Display:

Display Circuitl

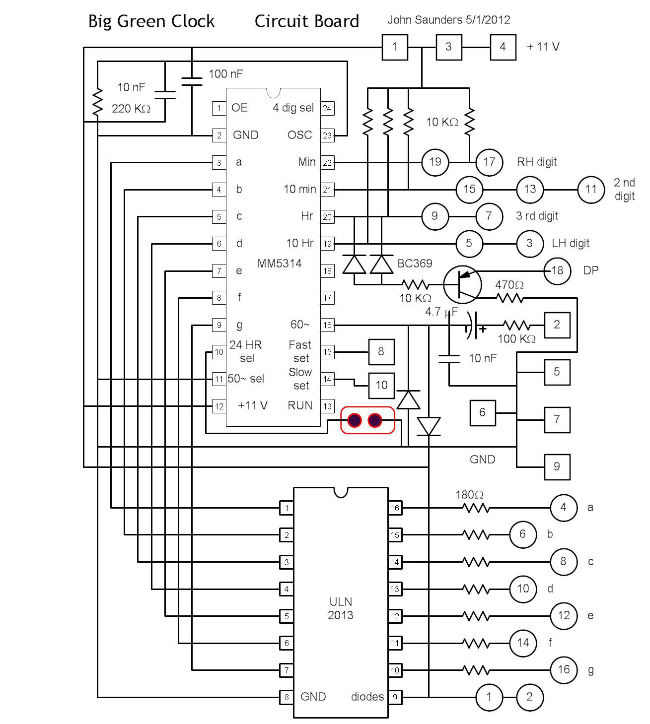
This is the Clock Circuit:

Clock Circuitl

This is the power module:
Power Module