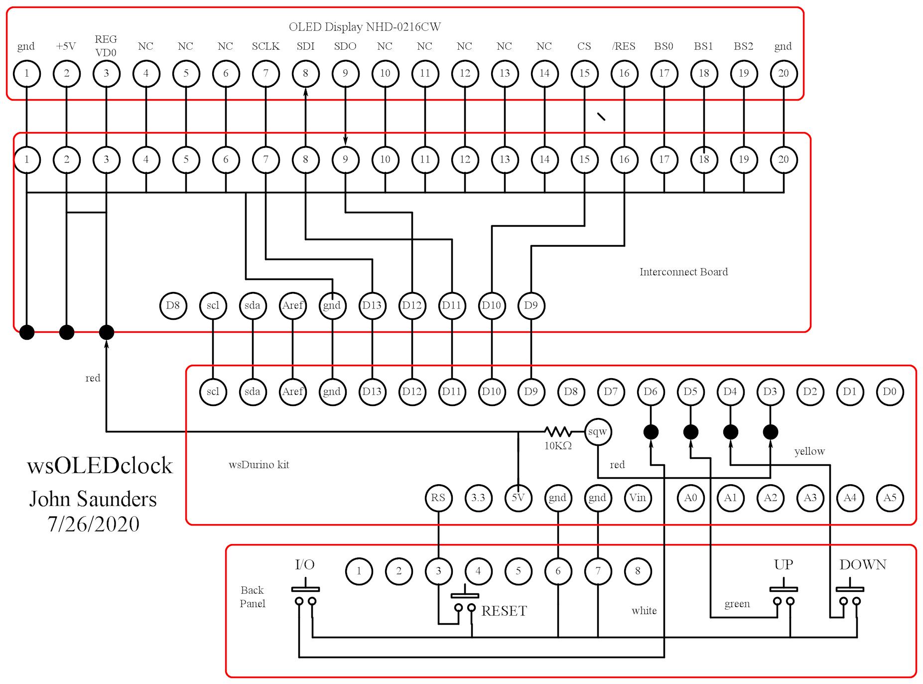
These is the circuit diagram:

System DiagramInterconnection Diagram