Return
LED Version
Picaxe Version
Arduino Version
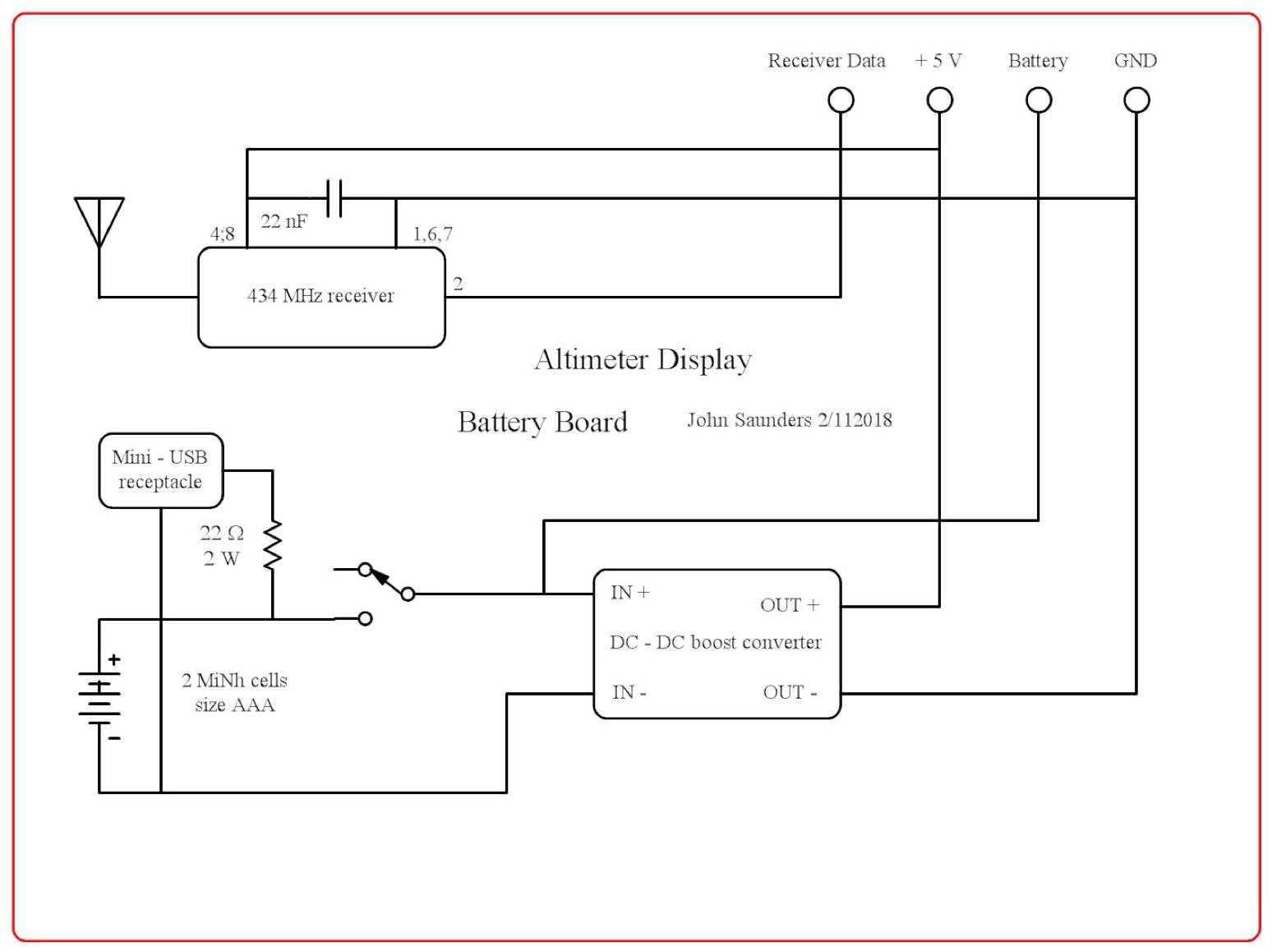
Handheld Display Schematics
4-digit, 7-segment LED Version