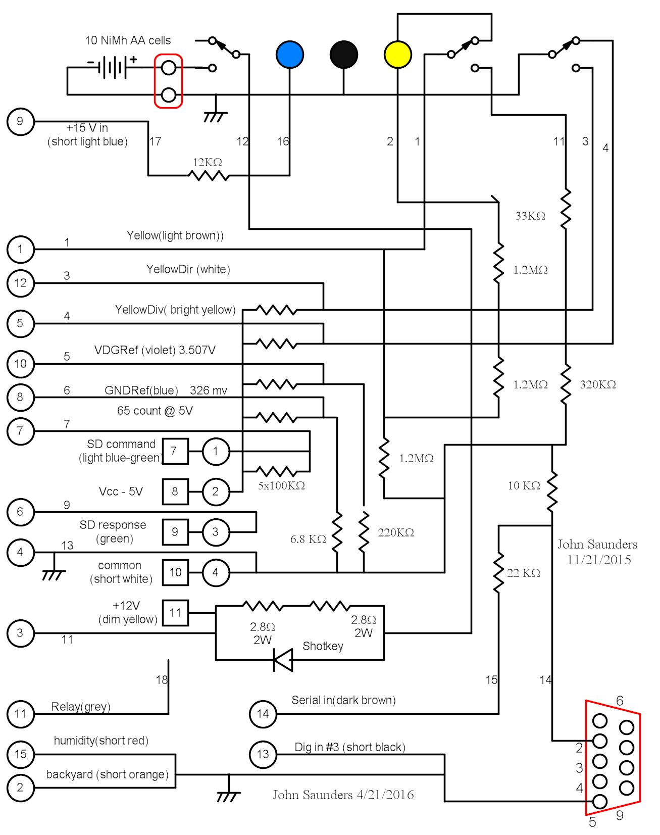
Battery Box Circuit Diagrams:

These are the connections between the Battery Box and the Controller:

Connectionst

This is the Connection Board:

Connect board

This is the processor diagram:

Processor