These are the Controller Interconnect circuit diagrams:

These are the connections between headers.

Headers

This is the probe connector and relays:

Relays

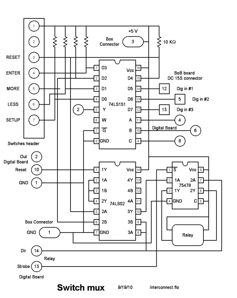
Thus is the switch multiplexer and the relay driver circuits:

Rear Panel