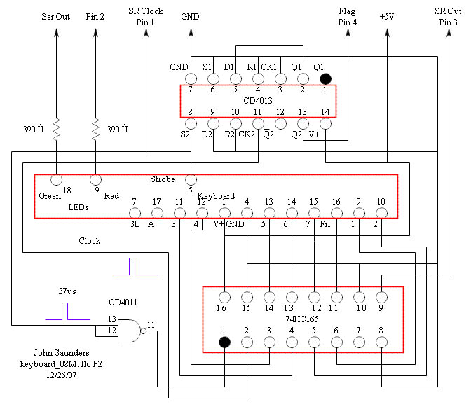
These are the keyboard circuit diagrams.

The Processor circuit is the one part which was modified in 2022.

Procesor

The keyboard circuit is unchanged for 2022.

Keyboard circuit