Return
Photos
System
Chassis
Timer
Controls
Power Supply
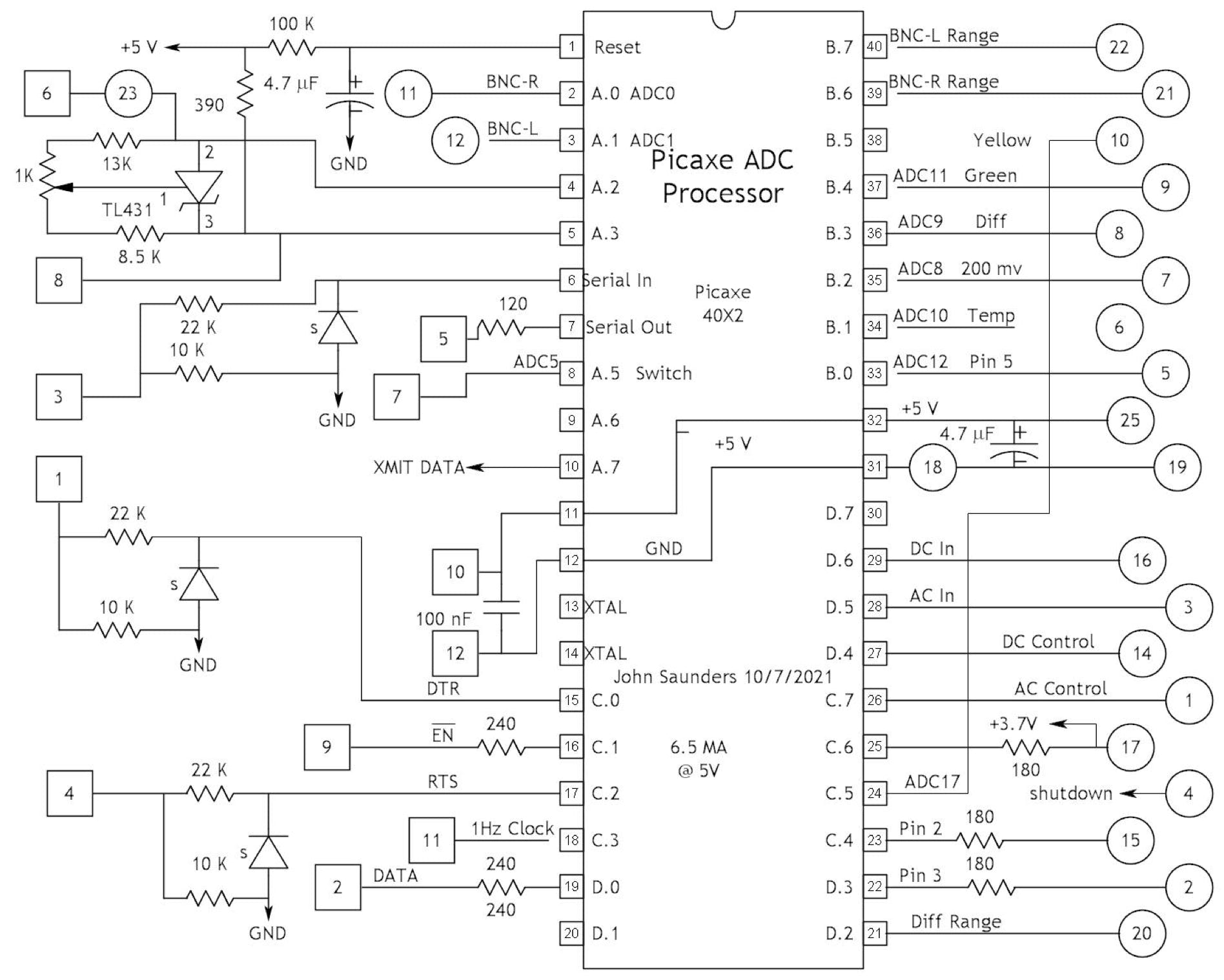
40X2 Processor
40X2 Program
14M2 Program
Standalone Data Acquisition Unit ADC Processor