Return
Photos
System
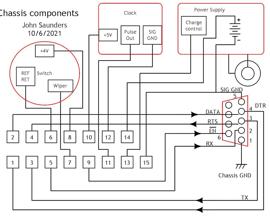
Chassis
Timer
Controls
Power Supply
40X2 Processor
40X2 Program
14M2 Program
Standalone Data Acquisition Unit Transmitter Chassis Schematic