Digital Ammeter Auto-Shutoff Circuit

         When the switch is set to off it shorts the micro-controller enable pin to ground which takes down the .3V output.

This not only lowers the voltage on the emitter of the pop transistor, but also shuts off the mosfet. This shuts off the pnp, cutting current to the displaying the AA battery.

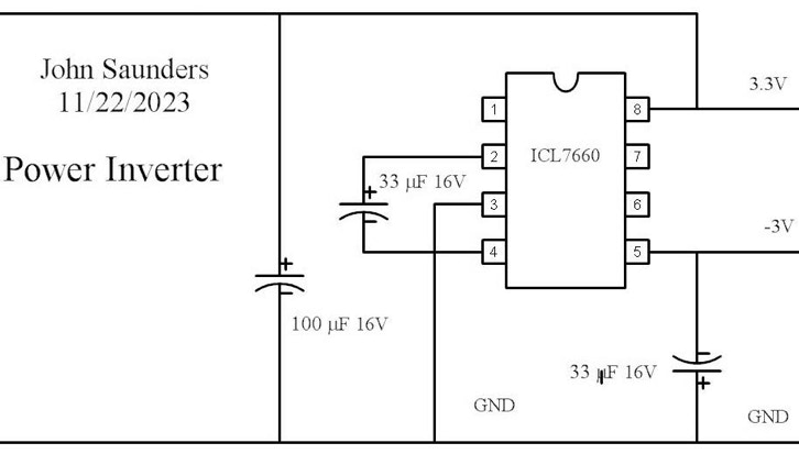
Digital Ammeter Voltage Inverter Circuit

         This is what the ICL 7660 does. It has its own oscillator and other circuits to transfer charge from the positive input to the negative output. It does need these external capacitors which should be selected for low effective series resistance at high frequency. It is quite efficient at low outputs but is limited in output current. The op-amps do not load it much.